|
LSX型0.5-3噸手動單梁懸掛起重機

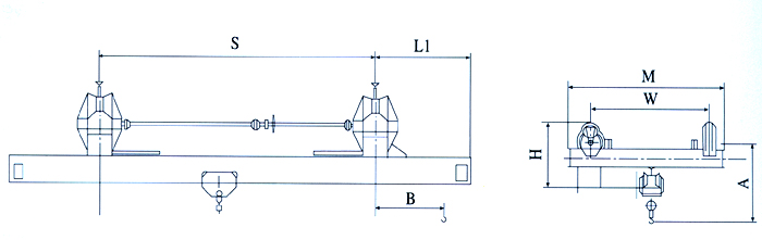
手動單梁懸掛起重機系由橋架、大車運行機構及手動單軌小車等主要部分組成,整個起重機是懸掛在工字鋼軌道的下翼緣上行走,大、小車運行均由手動鏈條驅動。
本產品適用于搬運量不大且不甚講究效率和速度的無電源的倉庫、車間或檢修設備等處。
本產品起重機有0.5、1、2、3噸四種,跨度為3-12米。
|
額定起重量 |
跨度 |
起重高度 |
輪距W |
車輪直徑 |
懸臂長H |
拉力 |
主要尺寸 |
大車 |
總重 |
|
起重 |
大車 |
小車 |
吊鉤工作極限尺寸 |
上輪緣至主梁下翼緣距離H |
總寬 |
|
|
|
|
m |
mm |
N(kgf)(不大于) |
mm |
(不大于) |
KN |
T |
|
0.5 |
3 |
2.5-10 |
1000 |
120 |
1000 |
191
(19.5) |
59
(6) |
29.4
(3) |
746 |
805 |
525 |
1516 |
1.94 |
0.5 |
|
3.5 |
1.96 |
0.51 |
|
4 |
1.97 |
0.53 |
|
4.5 |
1.98 |
0.54 |
|
5 |
2.00 |
0.55 |
|
5.5 |
1200 |
1200 |
800 |
1005 |
585 |
1716 |
2.16 |
0.66 |
|
6 |
2.17 |
0.71 |
|
7 |
2.21 |
0.75 |
|
8 |
2.27 |
0.79 |
|
9 |
1500 |
1500 |
820 |
1205 |
605 |
2016 |
2.49 |
0.96 |
|
10 |
2.54 |
1.00 |
|
11 |
1700 |
1400 |
850 |
635 |
2216 |
2.71 |
1.19 |
|
12 |
2.75 |
1.24 |
|
1 |
3 |
1000 |
1000 |
206
(21) |
88
(9) |
49
(5) |
816 |
775 |
545 |
1516 |
3.39 |
0.52 |
|
3.5 |
3.43 |
0.55 |
|
4 |
3.45 |
0.57 |
|
4.5 |
3.47 |
0.58 |
|
5 |
.48 |
0.6 |
|
5.5 |
1200 |
1200 |
870 |
975 |
605 |
1716 |
3.66 |
0.75 |
|
6 |
3.68 |
0.77 |
|
7 |
3.77 |
0.81 |
|
8 |
3.78 |
0.86 |
|
9 |
1500
1700 |
1500 |
930 |
1175 |
665 |
2016 |
3.95 |
1.11 |
|
10 |
4.13 |
1.17 |
|
11 |
1700 |
1000 |
745 |
2216 |
4.7 |
1.53 |
|
12 |
4.8 |
1.71 |
|
2 |
3 |
3-10 |
1200 |
150 |
800 |
324
(33) |
118
(12) |
108
(11) |
1150 |
560 |
585 |
1726 |
6.28 |
0.62 |
|
3.5 |
6.31 |
0.65 |
|
4 |
6.33 |
0.67 |
|
4.5 |
6.35 |
0.68 |
|
5 |
6.37 |
0.70 |
|
5.5 |
1500 |
1000 |
1227 |
760 |
665 |
2026 |
6.62 |
0.9 |
|
6 |
6.66 |
0.95 |
|
7 |
6.71 |
1.00 |
|
8 |
6.76 |
1.06 |
|
9 |
1700 |
1200 |
1305 |
960 |
745 |
2226 |
7.06 |
1.3 |
|
10 |
7.11 |
1.38 |
|
11 |
1345 |
780 |
2426 |
7.8 |
1.77 |
|
12 |
7.82 |
1.84 |
|
3 |
3 |
1200 |
600 |
338
(34.5) |
147
(15) |
127
(13) |
1284 |
340 |
566 |
2126 |
4.8 |
0.91 |
|
3.5 |
4.82 |
0.95 |
|
4 |
4.84 |
0.97 |
|
4.5 |
4.86 |
0.99 |
|
5 |
4.88 |
1.02 |
|
5.5 |
1500 |
800 |
1422 |
540 |
706 |
2426 |
5.47 |
1.37 |
|
6 |
5.49 |
1.41 |
|
7 |
5.53 |
1.48 |
|
8 |
5.55 |
1.56 |
|
9 |
1700 |
1000 |
1460 |
740 |
746 |
2626 |
6.10 |
1.8 |
|
10 |
6.17 |
1.88 |
|
11 |
1508 |
796 |
6.3 |
2.16 |
|
12 |
6.37 |
2.25 |
|